(2).jpg)
.jpg)
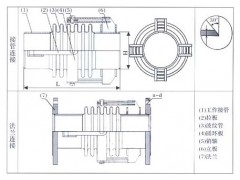
举例:16YSWJK800—6JB:表示公称通径为800,公称压力为1.6Mpa,波纹管总波数为6个波,不锈钢接管连接的万向铰链型波纹补偿器。
产品结构特点:
该膨胀节有一个万向环,在万向环的轴向有两对相互垂直的铰链结构,因此它能吸收任意平面的角位移。通常吸收位移时,应有两个或三个组合使用。
如果您需要本产品,请来电或传真与吴军联系,只需按照鑫科的产品代号标注提供相应的参数,鑫科便可为您制作DN65~DN3000各种尺寸的产品,特殊尺寸要求的,可以为您设计制造。
安装使用注意事项:
1.膨胀节上的小拉杆只作为运输、安装和“冷紧”用,安装完毕后必须将其拆除。
2.膨胀节角变形较大或系统工作压力较高时,推荐产品在安装时进行“冷紧”,一般为50﹪冷紧或100﹪冷紧。冷紧的优点主要在于改善膨胀节及管线的工作稳定性。










